Homepage Fill in Your Federal Firearms License Application Template
Table of Contents

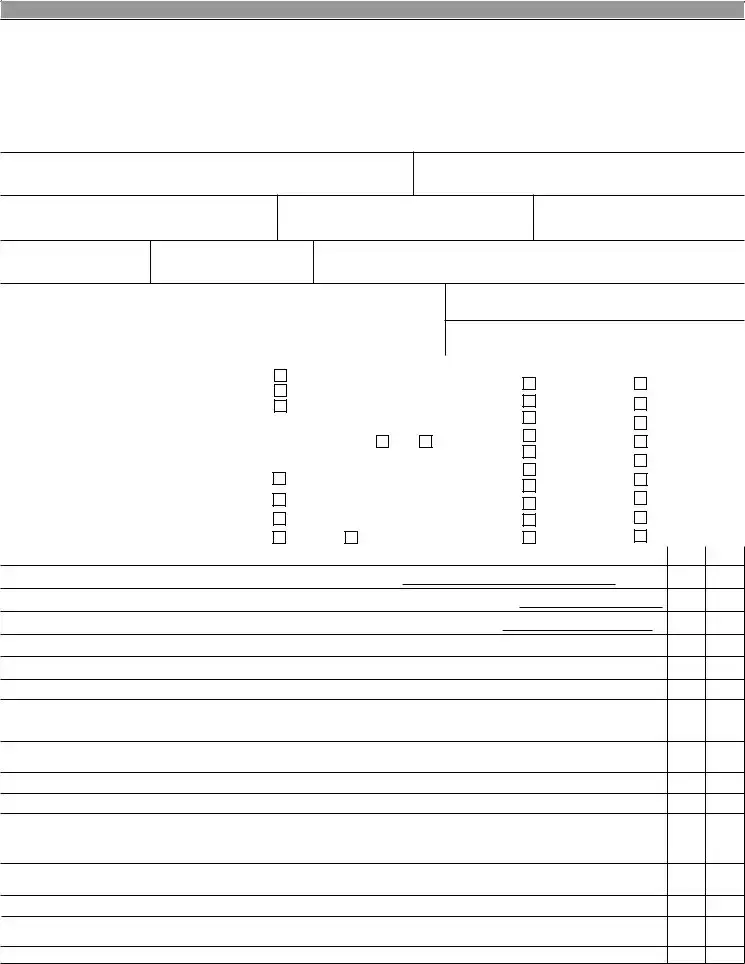
The Federal Firearms License Application form is a crucial document for anyone looking to engage in the firearms business in the United States. It requires detailed information about the applicant, including their business structure—whether they are an individual owner, partnership, corporation, or LLC. Essential identifiers such as the licensee name, trade name, and Employer Identification Number (EIN) must be provided. The form also asks for the specific business address and contact information, ensuring that the Bureau of Alcohol, Tobacco, Firearms and Explosives (ATF) can reach the applicant easily. Applicants must describe the activities they intend to conduct that necessitate a Federal Firearms License, as not all activities related to firearms require one. Additionally, the form outlines various license types, each associated with specific fees, ranging from $30 for a collector of curios and relics to $3,000 for manufacturers of destructive devices. Payment methods and hours of operation are also requested, along with a certification that the applicant complies with local laws. Finally, the form mandates that a copy be sent to the Chief Law Enforcement Officer of the locality, ensuring that local authorities are informed of the applicant's intentions. Completing this application accurately and thoroughly is essential for a smooth licensing process.

Sample - Federal Firearms License Application Form

OMB No. 1140-0018

U.S. Department of Justice

Bureau of Alcohol, Tobacco, Firearms and Explosives

Application for Federal Firearms License

 

Part A

 

 

 

 

1. Applicant’s Business/Activity is:

Individual Owner (Sole Proprietor)

Partnership

Corporation

LLC

 

Collector (which can be an individual/partnership/corporation or LLC)

Other (specify)

 

 

 

2.Licensee Name (Enter name of Owner/Sole Proprietor OR Partnership (include name of each partner) OR Corporation Name OR LLC Name)

 

 

 

 

3.

Trade or Business Name(s), if any

4. Employer Identification Number

5. Name of County in which

 

 

(EIN), if any (see definition #17)

Business/Activity is Located

 

 

 

 

6.

Business/Activity Address (RFD or Street Number, City, State,

7. Mailing Address (if different from address in item #6)

 

and ZIP Code) (NOTE: This address CANNOT be a P.O. Box.)

 

 

 

 

 

 

8.Contact Numbers (Include Area Code)

Business/Activity Phone

 

Fax Number

 

Cell Phone

 

 

Business Email

 

9.Describe the specific activity applicant is engaged in or intends to engage in, which requires a Federal Firearms License (sale of ammunition alone does not require a Federal Firearms License).

10. Application is made for a license under 18 U.S.C. Chapter 44 as a: (Place an “X” in the appropriate box(es). Multiple license types may be selected- see

instruction #8. Submit the fee noted next to the box(es) with the application. Licenses are issued for a 3-year period. See instruction #5 for payment information).

Type

 

Description of License Type

 

 

 

Fee

 

 

 

 

01

Dealer in Firearms Other than Destructive Devices (Includes: rifles, shotguns, pistols, revolvers, gunsmith activities, and

$200

National Firearms Act (NFA) weapons) (see instruction #10)

 

 

 

 

 

 

 

 

 

 

 

 

 

02

Pawnbroker in Firearms Other than Destructive Devices (Includes: rifles, shotguns, pistols, revolvers, gunsmith activities,

$200

and National Firearms Act (NFA) weapons) (see instruction #10)

 

 

 

 

 

 

 

 

 

 

 

 

 

 

03

Collector of Curios and Relics (NOTE: This is not a license to conduct business, see instruction #8)

 

$30

 

 

 

06

ManufacturerofAmmunitionforFirearmsOtherThanAmmunitionforDestructiveDevicesorArmorPiercingAmmunition(see instruction #11)

$30

 

 

 

 

 

 

07

Manufacturer of Firearms Other than Destructive Devices (see instruction #11)

 

 

 

$150

 

 

 

 

08

Importer of Firearms Other than Destructive Devices or Ammunition for Firearms Other than Destructive Devices, or

$150

Ammunition Other than Armor Piercing Ammunition (NOTE: Importer of handguns and rifles, see instruction #9)

 

 

 

 

 

 

 

 

09

Dealer in Destructive Devices (see instruction #10)

 

 

 

 

$3000

 

 

 

10

Manufacturer of Destructive Devices, Ammunition for Destructive Devices, or Armor Piercing Ammunition (see instruction #11)

$3000

 

 

 

 

11

Importer of Destructive Devices, Ammunition for Destructive Devices, or Armor Piercing Ammunition (see instruction #9)

$3000

 

 

 

 

 

 

 

 

 

 

 

 

 

 

Total Fees

$

11. Method of Payment (Check one)

 

 

 

 

 

 

 

 

 

Diner’s Club

Check (Enclosed)

Cashier’s Check or Money Order (Enclosed) Visa

Mastercard

American Express

Discover

Credit/Debit Card Number (No dashes)

Name as Printed on Your Credit/Debit Card

Expiration Date (MM/YY)

 

 

 

 

 

Credit/Debit Card

Address:

 

 

Billing Address:

 

 

 

City:

State:

ZIP Code:

 

 

 

 

 

Please complete to ensure payment is credited to the correct application:

 

 

 

 

 

I am paying the application fee for the following Person, Corporation, or Partnership:

Total Application Fees:

 

 

 

 

$

I authorize ATF to charge my Credit/Debit Card the above amount. Your credit/debit card will be charged the above stated amount upon receipt of your application and a charge from “ATF Licensing Fee” will be reflected on your credit/debit card statement. In the event a license is NOT issued, the above amount will be credited to the credit/debit card noted above.

Signature of Cardholder

 

Date

ATF Copy - Page 1

ATF Form 7(5310.12)/7CR(5310.16) Revised October 2020

12. Hours of Operation and/or Availability of Business/Activity (please provide at least one hour in which you can be contacted by ATF personnel)

Hour(s):

Please indicate

AM or PM

Sun

Mon

Tues

Wed

Thu

Fri

Sat

IF YOU ARE ONLY APPLYING FOR A TYPE 03 (COLLECTOR OF CURIOS AND RELICS) LICENSE, SKIP ITEMS 13-17 AND GO TO ITEM 18.

FOR ALL OTHER LICENSE TYPES, CONTINUE WITH ITEM 13.

13. Was the business obtained from someone else?

(If “Yes,”

14. Indicate type of business premises

 

 

 

 

 

 

please provide the name of the previous business and their

Zoned Residential:

 

 

Zoned Commercial:

 

 

 

 

FFL Number)

Yes

No

Single Family Dwelling

 

Store Front

 

 

 

 

 

 

 

 

 

 

 

 

 

 

 

 

 

Condominium/Apartment

 

Office

 

 

 

 

Name of Previous Business

 

Hotel/Motel

 

 

 

Rod & Gun Club

 

 

 

 

 

 

 

 

 

 

 

 

 

 

 

 

 

 

 

Public Housing

 

 

 

Military Installation (see instruction #13-additional

 

 

 

 

 

 

 

 

 

 

 

informationrequired)

 

Federal Firearms License Number

 

 

 

 

 

 

 

Other (specify)

 

 

 

 

 

 

 

 

 

 

 

 

 

 

 

 

 

 

 

 

 

 

 

 

 

 

 

 

 

 

 

 

15. Applicant’s business premises is:

 

 

 

 

 

 

 

 

 

 

 

 

 

Owned

 

Rented/Leased Premises- provide name, telephone number, and address of the property owner:

 

 

 

Premises

 

 

 

 

 

 

 

 

 

 

 

 

 

 

 

Military

 

 

 

 

 

 

 

 

 

 

 

 

 

 

 

 

Name

 

 

 

 

 

 

Street Address

 

Installation

 

 

 

 

 

 

 

 

 

 

 

 

 

 

 

 

 

 

 

 

 

 

 

 

 

 

 

 

 

 

 

 

 

 

 

 

Telephone Number (with area code)

 

 

 

City, State, and ZIP Code

 

 

 

 

 

 

 

 

 

 

 

16.

Do you intend to

 

sell firearms at Gun Shows and/or conduct Internet sales?

Yes

No

 

 

 

 

 

17.

Do you intend to use your license ONLY to acquire firearms to enhance your personal collection?

Yes

No

18.Name of Chief Law Enforcement Officer (CLEO) (Please 19. Address of CLEO (Include Number, Street, City, County, State, and ZIP

print the name of the CLEO to whom a copy of this

Code)

application was provided. See instruction #4 and definition #1.)

 

county:

ATTENTION Chief Law Enforcement Officer (CLEO): This form provides notification of a person’s intent to apply for a Federal Firearms License (FFL). It requires no action on your part. However, should you have information that may disqualify the person from obtaining a Federal Firearms License, please contact the Federal Firearms Licensing Center toll free at 1-866-662-2750. Issuance of an FFL in no way guarantees the business or activity is not in violation of State and/or local law.

20.Applicant Certification (Please read AND INITIAL each box)

a.The business/activity to be conducted under the Federal Firearms License is not prohibited by State or local law at the premises shown

in item 6. This includes compliance with zoning ordinances. (Please contact your local zoning department PRIOR TO submitting application)

b.Within 30 days after the application is approved, the business/activity will comply with the requirements of State and local law applicable to the conduct of the business/activity.

c.Business/activity will not be conducted under the license until the requirements of State and local law applicable to the business/activity have been met.

d.A completed copy of this application has been sent (mailed or delivered) to the Chief Law Enforcement Officer (CLEO) of the locality in which the premises listed in item 6 is located (see instruction #4 and definition #1).

e.As required by 18 U.S.C. 923 (d)(1)(G), I certify that secure gun storage or safety devices will be available at any place in which firearms are sold under this Federal Firearms License to persons who are not licensees. (See definition #4) (If applying for a Type 03, Collector of

Curios and Relics License ONLY, write “N/A” instead of initialing this certification box.)

f. Part B of this application has been completed and will be submitted for EACH responsible person (RP) (See definition #3)

21.Certification: Under the penalties imposed by 18 U.S.C. 924, I declare that I have examined this application in its entirety and the documents submitted in support thereof and to the best of my knowledge and belief, they are true, correct, and complete. This signature, when presented by a duly authorized representative of the U.S. Department of Justice, will constitute consent and authority for the appropriate U.S. Department

of Justice representative to examine and obtain copies and abstracts of records and to receive statements and information regarding the background of the applicant. Specifically, I hereby authorize the release of the following data or records to ATF: Military information/records, medical information/records, police and criminal records. This certification must be signed by a Responsible Person (see instruction #2 and definition #3).

 

Print Applicant Name (First, Middle, Last)

 

 

Applicant Signature

 

 

Date

 

 

 

 

 

 

Check Application Status (For ATF Use Only)

Approved

Abandoned

Withdrawn

Denied Reason for Denial:

Signature of Licensing Official:

 

 

 

Date:

 

 

 

 

 

 

 

 

 

ATF Copy - Page 2

ATF Form 7(5310.12)/7CR(5310.16) Revised October 2020

Part B - Responsible Person Questionnaire

1.EACH RESPONSIBLE PERSON MUST COMPLETE AND SIGN A SEPARATE QUESTIONNAIRE/ATF Form 7/7CR Part B. In the future, if you need to

add an additional Responsible Person (RP) to your FFL, the RP being added may complete this Part B-Responsible Person Questionnaire. If adding a RP to an existing license, be sure to include a signed written request from an existing RP on the license, giving permission to add the new Reponsible Person (see instruction #7).

2.Issuance of your license or addition as a Responsible Person will be delayed if Part B is incomplete or otherwise improperly prepared.

3.IMPORTANT! All new responsible persons must submit a properly prepared FD-258 (Fingerprint Card) with this questionnaire. The fingerprints must be clear for accurate classification and taken by someone properly equipped to take them. The FD-258 should include “WVATF1100 ATF-FFLC, MARTINSBURG, WV” in the ORI block to facilitate processing of fingerprints.

4.LIST any given, married, and maiden names in Item 4, e.g., “Mary Alice (Smith) Jones,” not “Mrs. John Jones.” (If additional space is needed, attach a separate sheet. See instruction #1)

1. License or Applicant Name (From block 2 of Part A)

2.Federal Firearms License Number (If being added to an existing FFL)

3. Name of Responsible Person (Last, First, Middle)

4.Aliases (Include given, married, maiden names)

5. Position/Title

6. Social Security Number

7.Date of Birth (MM/DD/YYYY)

8.Place of Birth (City & State OR foreign country)

9. Current Residence Address

10.Telephone Number (Personal Contact # with Area Code)

 

 

 

 

 

 

11. E-mail Address

 

 

 

 

 

 

 

 

 

 

 

 

 

 

 

 

 

 

 

12. Previous Address(es) - Please provide every

13. Sex

14. Height

 

 

15. Weight

16. Eye Color

17. Hair Color

 

 

address you have had in the last five years and

Male

 

 

 

 

Feet

 

 

Black

Bald

 

 

dates which you lived at the address(es) (If

Female

 

 

 

 

 

 

 

 

 

 

 

 

Inches

 

(lbs)

Blue

Black

 

 

additional space is needed attach a separate

Non-Binary

 

 

 

 

 

 

 

 

 

 

 

 

Brown

 

 

sheet. See instruction #1)

 

 

 

 

 

 

 

 

Blond

 

 

18. Ethnicity

 

 

 

 

 

 

 

 

 

 

Hispanic or Latino

Yes

No

 

Gray

Brown

 

 

 

 

Green

 

 

 

 

 

 

 

 

 

 

 

Gray

 

 

 

19. Race (Please check one or more boxes)

 

 

 

Hazel

 

 

 

American Indian or Alaska Native

 

Red

 

 

 

 

Maroon

 

 

 

 

 

 

 

 

 

 

 

 

 

 

 

 

Black or African American

 

Multiple

Sandy

 

 

 

Native Hawaiian or Other Pacific Islander

 

 

 

 

 

Pink

White

 

 

 

Asian

 

White

 

 

 

 

 

Other

Other

 

 

 

 

 

 

 

 

 

 

 

 

 

 

 

 

 

 

For the following questions give full details on a separate sheet for all “Yes” answers (see

instruction #1)

Yes

No

20.Have you ever held a Federal Firearms License? (If so, please include FFL#)

21.Have you ever been a Responsible Person on a Federal Firearms License? (If so, please include FFL#)

22.Have you ever been an officer in a corporation holding a Federal Firearms License? (If so, please include FFL#)

23.Have you ever been an employee of a Federal Firearms Licensee?

24.Have you ever been denied a Federal Firearms License?

25.Have you ever had a Federal Firearms License revoked?

26.Are you under indictment or information in any court for a felony, or any other crime, for which the judge could imprison you for more than one year, or are you a current member of the military who has been charged with violation(s) of the Uniform Code of Military Justice and whose charge(s) have been referred to a general court-martial? (See definition #10)

27.Have you ever been convicted in any court, including a military court, for a felony, or any other crime, for which the judge could have imprisoned you for more than one year, even if you received a shorter sentence including probation? (See definition #10)

28.Are you a fugitive from justice? (See definition #11)

29.Are you under 21 years of age?

30.Are you an unlawful user of, or addicted to, marijuana or any depressant, stimulant, narcotic drug, or any other controlled substance?

Warning: The use or possession of marijuana remains unlawful under Federal law regardless of whether it has been legalized or decriminalized for medicinal or recreational purposes in the state where you reside.

31.Have you ever been adjudicated as a mental defective OR have you ever been committed to a mental institution?

(See definitions #12 and #13)

32.Have you been discharged from the Armed Forces under dishonorable conditions?

33.Are you subject to a court order restraining you from harassing, stalking, or threatening your child or an intimate partner or child of such partner? (See definition #5)

34.Have you ever been convicted in any court of a misdemeanor crime of domestic violence? (See definition #7)

ATF Copy - Page 3

ATF Form 7(5310.12)/7CR(5310.16) Revised October 2020

35.Country of Citizenship: (Check/List more than one, if applicable. Nationals of the United States may check U.S.A.)

United States of America

Other Country/Countries (specify):

Yes

No

36.Have you ever renounced your United States citizenship?

37.Are you an alien illegally or unlawfully in the United States?

38.a. Are you an alien who has been admitted to the United States under a nonimmigrant visa? (See definition #8)

b. If you are such an alien, do you fall within any of the exceptions stated in definition #9? Attach supporting documentation to the application. (U.S. citizens/nationals leave 38b blank)

39.If you are an alien, record your U.S.-Issued Alien or Admission number (AR#, USCIS#, or I94#):

40.Under the penalties imposed by 18 U.S.C. § 924 and 1001, I declare that I have examined any related documents submitted in regard to this questionnaire/ATF Form 7/7CR Part B, and to the best of my knowledge and belief, they are true, correct and complete. This signature, when presented by a duly authorized representative of the U.S. Department of Justice, will constitute consent and authority for the appropriate U.S.

Department of Justice representative to examine and obtain copies and abstracts of records and to receive statements and information regarding my background. Specifically, I hereby authorize the release of the following data or records to ATF: Military information/records, medical information/

records, police and criminal records.

Signature

Printed Name

Date

EACH RESPONSIBLE PERSON MUST COMPLETE AND SIGN A SEPARATE QUESTIONNAIRE/ATF FORM 7/7CR PART B

Attach a 2” X 2”

Photograph Here

If you are applying for a Type 03 ONLY a photograph is not required

1.Photo must have been taken within the last six months.

2.Photo must have been taken in full face view without a hat or head covering that obscures the hair or hairline.

3.On back of photograph print full name, last 4 of SSN, and business address.

Print Full Name

If applying for a NEW FFL:

Mail application, fingerprint cards, photographs, and application fees, including a separate questionnaire/Part B for EACH Responsible Person, to:

Federal Firearms Licensing Center

P.O. Box 6200-20

Portland, OR 97228-6200

If only adding a RP to an existing FFL:

Each Reponsible Person being added must complete a separate questionnaire/ATF Form 7/7CR Part B and mail it, along with their fingerprint card and photograph, to: ATF, Attn: FFLC, 244 Needy Rd, Martinsburg, WV 25405. Each questionnaire must be accompanied by a signed written request from a current/existing RP on the license,

giving permission to add the Responsible Person.

Type03Applicants:

A photograph and fingerprint card are not required if you are applying for a Type 03

Collector of Curios and Relics license only.

Questions:

If you have any questions relating to this form, please contact the ATF Federal Firearms Licensing Center at 1-866-662-2750, or your local ATF Industry Operations Office.

Paperwork Reduction Act Notice

This request is in accordance with the Paperwork Reduction Act of 1995. The information collection is used to determine the eligibility of the applicant to engage in certain operations, to determine the location and extent of operations, and to determine whether the operations will be in conformity with Federal laws and regulations. The information requested is required in order to obtain or retain a benefit and is mandatory by statute (18 U.S.C. § 923).

The estimated average burden associated with this collection of information is 60 minutes per respondent or recordkeeper, depending on individual

circumstances. Comments concerning the accuracy of this burden estimate and suggestions for reducing this burden should be directed to Reports

Management Officer, Resource Management Staff, Bureau of Alcohol, Tobacco, Firearms and Explosives, Washington, DC 20226.

An agency may not conduct or sponsor, and a person is not required to respond to, a collection of information unless it displays a currently valid OMB control number.

ATF Copy - Page 4

ATF Form 7(5310.12)/7CR(5310.16) Revised October 2020

Instructions/Definitions for ATF Form 7 (5310.12)/7CR (5310.16)

(Do not return this sheet when submitting your application)

Issuance of your license will be delayed if the fee is not included or incorrect, or if the application is incomplete or otherwise improperly prepared.

Instructions

1.Completion of Application - TYPE or PRINT with ball-point pen. Any attached sheets should:

a.be identified at the top of each page with your name and Employer Identification Number or Social Security Number.

b.refer to the item/question(s) being answered.

2.Person Who Signs the Application - The certification in Part A, item #21 must be signed by a Responsible Person (see definition #3).

3.Release of Information - This application package requires you to authorize the release of certain information to ATF such as medical information/ records (see Part A, item #21). This information is used to determine, for example, whether the applicant has ever been adjudicated as a mental defective or committed to any mental institution. This information is protected by the Privacy Act of 1974.

4.Chief Law Enforcement Officer (CLEO) - Applicants must submit a copy of the completed application to the Chief Law Enforcement Officer (CLEO) of the locality in which the premises sought to be licensed is located (see definition #1). Part A, item #20d requires certification that a completed copy of the application has been sent.

5.Payment - You may pay the application fee by credit/debit card, check, or money order, payable to ATF (see instruction #14 on the following page for the address to send payment and completed application package). Do not send cash. Postdated checks are not acceptable. Licenses are issued for a period of three years. No refund of any part of a license fee shall be made where the operations of the license are, for any reason, discontinued during the period.

6.Fingerprint Cards & Photographs - The following items must accompany this application. Failure to submit these items will delay processing and may result in denial of the application. NOTE: A fingerprint card and photograph are NOT required if applying for a Type 03 license only.

a.ATF Form 7/7CR Part B, Responsible Person Questionnaire, must be completed and submitted for ALL responsible persons (see definition #3).

b.A properly prepared fingerprint card (form FD-258) must be submitted for ALL responsible persons, unless they have peviously submitted one as an RP for another FFL. The fingerprints must be clear for accurate classification and taken by someone properly equipped to take them. To facilitate processing of fingerprints, the FD-258 should list “WVATF1100 ATF-FFLC, MARTINSBURG, WV” in the ORI block.

c.A 2 inch by 2 inch photograph of EACH responsible person. The photograph should be attached to the back of their ATF Form 7/7CRPart B,

Responsible Person Questionnaire. Please ensure that each photograph is clearly identified on the reverse with the full name of the responsible person to whom the photograph applies.

7.Adding Additional Responsible Persons - You can use Part B of this application to add a Responsible Person(s) to an existing FFL. You must include a signed written request from a current/existing RP already on the license, giving permission to add the new Responsible Person. We cannot process a form to add an additional RP to an existing license without the written consent from an existing RP on the license giving authorization for this action. If you are only submitting Part B for this purpose, send Part B, along with the Responsible Person’s fingerprint card and photograph, to ATF-FFLC, 244 Needy Road, Martinsburg, WV 25405. Only send to this address if you are just adding a Responsible Person(s) to an existing license. Sending an application to obtain a new FFL to this address will result in delays in the processing of your application.

8.License Types -

A Type 03 license issued under 18 U.S.C. Chapter 44:

a.Is NOT a license to carry, use, or possess a firearm.

b.Confers NO right or privilege to conduct an activity contrary to State or other law.

c.Will entitle you to acquire firearms, classified as curios or relics, in interstate or foreign commerce. You may dispose of curios and relics to any person, not otherwise prohibited by the Gun Control Act of 1968, residing within your State, and to any other Federal firearms licensee in any State. It must be emphasized that the collector’s license being applied for pertains exclusively to firearms classified as curios and relics, and its purpose is to facilitate a personal collection. You may NOT engage in the business of buying and selling any type of firearm with a type 03 license. Applicants intending to engage in the firearms business should apply for a license other than a Type 03, Collector of Curios and

Relics, license.

Type 01, 02, 06, 07, 08, 09, 10, and 11 licenses issued under 18 U.S.C. Chapter 44:

a.Are NOT licenses to carry, use, or possess a firearm.

b.Confer NO right or privilege to conduct business or activity contrary to State or other law. State laws or local laws or ordinances may have requirements affecting your proposed firearms business. Contact your State and local authorities for specific information on their requirements.

c.Are business licenses, and will NOT be issued to an applicant solely intending to enhance a personal firearms collection.

d.Are NOT licenses to sell ammunition only.

NOTE: Multiple Licenses - You can apply for more than one license if the business is to be conducted at the same location, by checking more than one type of license in Part A, item #10. If business is to be conducted at multiple locations, a separate application and license fee is required

for each business location.

9.Imports - Applicants intending to import firearms and/or ammunition may need to register with ATF under the provisions of the Arms Export

Control Act. Contact the Firearms and Explosives Imports Branch at (304) 616-4550 for further information on registration.

ATF Form 7(5310.12)/7CR(5310.16) Revised October 2020

10.National Firearms Act (NFA)/Special Occupational Tax (SOT) - Applicants intending to deal in, import, or manufacture weapons subject to the

NFA (e.g., machine guns, short-barreled shotguns, silencers, destructive devices, etc.) are required to pay a SOT (see definition #18). Contact the NFA Branch at (304) 616-4500.

11.Manufacturing - Generally, persons holding a manufacturer’s license (FFL Type 06, 07 or 10) must register as a manufacturer with the Department of State unless exempted by the Directorate of Defense Trade Control (DDTC), regardless of whether the manufacturer actually exports any of the items manufactured. Therefore, applicants intending to manufacture and/or export defense articles, as defined on the United States Munitions List (Part 121 of the ITAR), may need to register with Directorate of Defense Trade Controls (DDTC). Questions should be directed to the DDTC

at 202-663-2980 or www.pmddtc.state.gov.

12.Denial of Application - If you do not qualify for a license, you will be advised in writing of the reasons for denial and your application fee will be refunded.

13.Military Installation - If “Military Installation” was selected in Part A, item #14 as the type of business premises, you must attach a copy of written authorization from the Base Commander to conduct a firearms business on the military installation.

14.Where to Send Application - MAKE A COPY OF YOUR COMPLETED APPLICATION FOR YOUR RECORDS, THEN FORWARD THE APPLICATION WITH FEE, ONE ATF FORM 7/7CR PART B, RESPONSIBLE PERSON QUESTIONNAIRE,

FOR EACH RESPONSIBLE PERSON (WITH PROPERLY IDENTIFIED PHOTO ATTACHED), AND FINGERPRINT CARD(S) TO:

Federal Firearms Licensing Center

P.O. Box 6200-20

Portland, OR 97228-6200

15.Contact Us - If you have any questions relating to this application, please contact the ATF Federal Firearms Licensing Center, 244 Needy Road, Martinsburg, WV 25405, Toll free 1-866-662-2750, or your local ATF Industry Operations Office. Contact information for your local office can be found at WWW.ATF.GOV.

Definitions

1.Chief Law Enforcement Officer - The Chief of Police, Sheriff, or an equivalent designee of such individual, of the locality in which the premises sought to be licensed, is located.

2.Licensed Collector - A collector of curios and relics only and licensed under the provisions of 18 U.S.C. 923. You may not use the license to obtain firearms that are not classified as curios and relics. Collectors are not licensed to conduct any business.

3.Responsible Person - In addition to a Sole Proprietor, a Responsible Person is, in the case of a Corporation, Partnership, or Association, any individual possessing, directly or indirectly, the power to direct or cause the direction of the management, policies, and practices of the Corpora- tion, Partnership, or Association, insofar as they pertain to firearms.

4.Secure Gun Storage or Safety Device - (A) a device that, when installed on a firearm, is designed to prevent the firearm from being operated without first deactivating the device; (B) a device incorporated into the design of the firearm that is designed to prevent the operation of the firearm by anyone not having access to the device; or (C) a safe, gun safe, gun case, lock box, or other device that is designed to be or can be used to store a firearm and that is designed to be unlocked only by means of a key, a combination, or other similar means.

5.Restraining Order - Under 18 U.S.C. § 922(g)(8), firearms may not be possessed or received by persons subject to a court order that: (A) was issued after a hearing of which the person received actual notice and had an opportunity to participate in; (B) restrains such person from harassing, stalking, or threatening an intimate partner or child of such intimate partner or person, or engaging in other conduct that would place an intimate partner in reasonable fear of bodily injury to the partner or child; and (C)(i) includes a finding that such person represents a credible threat to the

physical safety of such intimate partner or child, or (ii) by its terms explicitly prohibits the use, attempted use, or threatened use of physical force against such intimate partner or child that would reasonably be expected to cause bodily injury.

6.Intimate Partner - With respect to a person, the spouse of the person, a former spouse of the person, an individual who is a parent of a child of the person, or an individual who cohabitates or has cohabitated with the person.

7.Misdemeanor Crime of Domestic Violence - A Federal, including a general court-martial, State, local, or tribal offense that is a misdemeanor under Federal, State, or tribal law and has, as an element, the use or attempted use of physical force, or the threatened use of a deadly weapon, committed by a current or former spouse, parent, or guardian of the victim, by a person with whom the victim shares a child in common, by a person cohabitating with, or has cohabitated with the victim as a spouse, parent, or guardian, or by a person similarly situated to a spouse, parent, or

guardian of the victim. The term includes all misdemeanors that have as an element the use or attempted use of physical force or the threatened use of a deadly weapon (e.g., assault and battery), if the offense is committed by one of the defined parties. (See Exception in the definition of “Prohibited Person”). A person who has been convicted of a misdemeanor crime of domestic violence also is not prohibited unless; (1) the person was represented by a lawyer or gave up the right to a lawyer; or (2) if the person was entitled to a jury, was tried by a jury, or gave up the right to a jury trial. Persons subject to this exception should mark “no” in the applicable box.

ATF Form 7(5310.12)/7CR(5310.16) Revised October 2020

8.AnAlienAdmitted to the United States Under a Nonimmigrant Visa - Includes, among others, persons visiting the United States temporarily for business or pleasure, persons studying in the United States who maintain a residence abroad, and certain temporary foreign workers. The definition does NOT include

permanent resident aliens nor does it apply to nonimmigrant aliens admitted to the United States pursuant to either the Visa Waiver Program or to regulations otherwise exempting them from visa requirements.

9.Exceptions to Prohibition on Aliens Admitted Under a Nonimmigrant Visa - An alien admitted to the United States under a nonimmigrant visa is not prohibited from purchasing, receiving, or possessing a firearm if the alien: (1) is in possession of a hunting license or permit lawfully issued by the Federal Government, a State, or local government, or an Indian tribe federally recognized by the Bureau of Indian Affairs, which is valid and unexpired; (2) was admitted to the United States for lawful hunting or sporting purposes; (3) has received a waiver from the prohibition from the Attorney General of the United States; (4) is an official representative of a foreign government who is accredited to the United States Government or the Government’s mission to an international organization having its headquarters in the United States; (5) is an official representative of a foreign government who is en route to or from another country to which that alien is accredited; (6) is an official of a foreign government or a distinguished foreign visitor who has been so designated by the Department of State; or (7) is a foreign law enforcement officer of a friendly foreign government entering the United States on official law enforcement business.

10.Prohibited Person - Generally, 18 U.S.C. 922(g) prohibits the shipment, transportation, receipt, or possession in or affecting interstate commerce of a firearm by one who: has been convicted of a felony in any Federal, including a general court-martial, State or local court, or any other crime, punishable by imprisonment for a term exceeding one year; is a fugitive from justice; is an unlawful user of, or addicted to, marijuana

or any depressant, stimulant, or narcotic drug, or any other controlled substance; has been adjudicated as a mental defective or has been committed to a mental institution; has been discharged from the Armed Forces under dishonorable conditions; is subject to certain restraining orders;

convicted of a misdemeanor crime of domestic violence under Federal, including a general court-martial, State or Tribal law; has renounced his/her

U.S. citizenship; is an alien illegally in the United States or an alien admitted to the United States under a nonimmigrant visa. Furthermore, section 922(n) prohibits the shipment, transportation, or receipt in or affecting interstate commerce of a firearm by one who is under indictment or

information for a felony in any Federal, including a general court-martial, State or local court, or any other crime, punishable by imprisonment for a term exceeding one year. An information is a formal accusation of a crime verified by a prosecutor.

A member of the Armed Forces must answer “yes” to question 26 if charged with an offense that is referred to a general court-martial. A current or former member of the Armed Forces must answer “yes” to question 27 if convicted under a general court-martial.

Discharged “under dishonorable conditions” means separation from the Armed Forces resulting from a dishonorable discharge or dismissal adjudged by a general court-martial. That term does not include any other discharge or separation.

EXCEPTION - A person is not prohibited from receiving or possessing a firearm if that person: (1) has been convicted of any Federal or State offense pertaining to antitrust violations, unfair trade practices, restraints of trade, or other similar offenses relating to the regulation of business practices; (2) has been convicted of a State misdemeanor punishable by imprisonment of two years or less; or (3) following conviction of a felony or other crime for which the judge could have imprisoned the person for more than one year, or a misdemeanor crime of domestic violence, has received a pardon, an expungement or set aside of the conviction, or has lost and regained civil rights (the right to vote, sit on a jury, and hold public office) in the jurisdiction in which the conviction occurred, AND the law of the convicting jurisdiction does not prohibit the person from receiving or possessing firearms. A person subject to any of these exceptions, or who received relief from disabilities under 18 U.S.C. 925(c), should answer “no” to the applicable question.

11.Fugitive From Justice - Any person who has fled from any State to avoid prosecution for a felony or a misdemeanor, or any person who leaves the State to avoid giving testimony in any criminal proceeding. The term also includes any person who knows that misdemeanor or felony charges are pending against such person and who leaves the State of prosecution.

12.Adjudicated as a Mental Defective - A determination by a court, board, commission, or other lawful authority that a person, as a result of marked subnormal intelligence, or mental illness, incompetency, condition, or disease: (1) is a danger to himself or to others; or (2) lacks the mental capacity to contract or manage his own affairs. This term shall include: (1) a finding of insanity by a court in a criminal case; and (2) those persons found incompetent to stand trial or found not guilty by reason of lack of mental responsibility.

13.Committed to a Mental Institution - A formal commitment of a person to a mental institution by a court, board, commission, or other lawful authority. The term includes a commitment to a mental institution involuntarily. The term includes commitment for mental defectiveness or mental illness. It also includes commitments for other reasons, such as for drug use. The term does not include a person in a mental institution for observation or a voluntary admission to a mental institution.

EXCEPTION: Under the NICS Improvement Amendments Act of 2007, a person who has been adjudicated as a mental defective or committed to a mental institution in a State proceeding is not prohibited by the adjudication or commitment if the person has been granted relief by the adjudicating/committing State pursuant to a qualifying mental health relief from disabilities program. Also, a person who has been adjudicated as a mental defective or committed to a mental institution by a department or agency of the Federal Government is not prohibited by the adjudication or commitment if either: (a) the person’s adjudication or commitment was set-aside or expunged by the adjudicating/committing agency; (b) the person has been fully released or discharged from all mandatory treatment, supervision, or monitoring by the agency; (c) the person was found

by the agency to no longer suffer from the mental health condition that served as the basis of the initial adjudication/commitment; (d) the adjudication or commitment, respectively, is based solely on a medical finding of disability, without an opportunity for a hearing by a court, board, commission, or other lawful authority, and the person has not been adjudicated as a mental defective consistent with section 922(g)(4) of title 18,

ATF Form 7(5310.12)/7CR(5310.16)

Revised October 2020

United States Code; or (e) the person was granted relief from the adjudicating/committing agency pursuant to a qualified mental health relief from disabilities program. Persons who fall within one of the above exceptions should mark “no” in the applicable box. This exception to an adjudication or commitment by a Federal department or agency does not apply to any person who was adjudicated to be not guilty by reason of insanity, or based

on a lack of mental responsibility, or found incompetent to stand trial, in any criminal case or under the Uniform Code of Military Justice.

14.Gun Control Act (GCA) - Title 18, United States Code, Chapter 44. The implementing regulations are found in Title 27, Code of Federal Regulations, Part 478.

15.Firearm - The term “firearm” means: (A) any weapon (including a starter gun) which will or is designed to or may readily be converted to expel a projectile by the action of an explosive; (B) the frame or receiver of any such weapon; (C) any firearm muffler or firearm silencer; or (D) any destructive device. Such term does not include an antique firearm.

16.Federal Firearms License (FFL) - A license issued under the provisions of the GCA to manufacture, import, or deal in firearms.

17.Employer Identification Number (EIN) - An EIN is also known as a Federal Tax Identification Number, and is used to identify a business entity. Generally, businesses need an EIN. For more information on who needs an EIN and how to apply for one, go to www.IRS.gov or refer to 27 CFR §

179.35.

18.Special (Occupational) Tax (SOT) - Required by the National Firerms Act to be paid by a Federal firearms licensee engaged in the business of importing, manufacturing, or dealing in NFA firearms. Questions regarding SOT should be directed to the ATF NFA Branch at (304) 616-4500.

Privacy Act Information

The following information is provided pursuant to Section 3 of the Privacy Act of 1974 (5 U.S.C. § 552 a(e)(3)):

1.Authority: Solicitation of this information is authorized pursuant to 18 U.S.C. § 923(a) of the Gun Control Act of 1968. Disclosure of this information is mandatory if the applicant wishes to obtain a Federal Firearms License. System of Record Notice (SORN) Justice/ATF-008

Regulatory Enforcement Record System FR Vol. 68 No. 163558 dated January 24, 2003.

2.Purpose: To determine the identity and eligibility of the applicant to obtain a Federal Firearms License, the identity and eligibility of all responsible persons, the ownership of the business, the type of firearms or ammunition to be dealt in, the business hours, and the business history.

3.Routine Uses: The information will be used by ATF to make determinations set forth in paragraph 2. In addition, information may be disclosed to other Federal, State, foreign and local law enforcement and regulatory agency personnel to verify information on the application and to aid in the performance of their duties with respect to the enforcement and regulation of firearms and/or ammunition where such disclosure is not prohibited by law. The information may further be disclosed to the Justice Department if it appears that the furnishing of false information may constitute a violation of Federal law. Finally, the information may be disclosed to members of the public in order to verify the information on the application when such disclosure is not prohibited by law.

4.Effects of Not Supplying Information Requested: Failure to supply complete information will delay processing and may result in denial of the application.

ATF Form 7(5310.12)/7CR(5310.16) Revised October 2020

OMB No. 1140-0018

U.S. Department of Justice

Bureau of Alcohol, Tobacco, Firearms and Explosives

Application for Federal Firearms License

 

Part A

 

 

 

 

1. Applicant’s Business/Activity is:

Individual Owner (Sole Proprietor)

Partnership

Corporation

LLC

Collector (which can be an individual/partnership/corporation or LLC)

Other (specify)

 

 

 

2.Licensee Name (Enter name of Owner/Sole Proprietor OR Partnership (include name of each partner) OR Corporation Name OR LLC Name)

3. Trade or Business Name(s), if any

4. Employer Identification Number

5. Name of County in which

 

(EIN), if any (see definition #17)

Business/Activity is Located

 

 

 

6. Business/Activity Address (RFD or Street Number, City, State,

7. Mailing Address (if different from address in item #6)

and ZIP Code) (NOTE: This address CANNOT be a P.O. Box.)

 

 

 

 

 

8.Contact Numbers (Include Area Code)

Business/Activity Phone

 

Fax Number

 

Cell Phone

 

 

Business Email

 

9.Describe the specific activity applicant is engaged in or intends to engage in, which requires a Federal Firearms License (sale of ammunition alone does not require a Federal Firearms License).

10. Application is made for a license under 18 U.S.C. Chapter 44 as a: (Place an “X” in the appropriate box(es). Multiple license types may be selected- see

instruction #8. Submit the fee noted next to the box(es) with the application. Licenses are issued for a 3-year period. See instruction #5 for payment information).

Type

Description of License Type

Fee

 

 

 

 

01

Dealer in Firearms Other than Destructive Devices (Includes: rifles, shotguns, pistols, revolvers, gunsmith activities, and

$200

National Firearms Act (NFA) weapons) (see instruction #10)

 

 

 

 

 

 

02

Pawnbroker in Firearms Other than Destructive Devices (Includes: rifles, shotguns, pistols, revolvers, gunsmith activities,

$200

and National Firearms Act (NFA) weapons) (see instruction #10)

 

 

 

 

 

 

03

Collector of Curios and Relics (NOTE: This is not a license to conduct business, see instruction #8)

$30

 

 

 

 

06

ManufacturerofAmmunitionforFirearmsOtherThanAmmunitionforDestructiveDevicesorArmorPiercingAmmunition(see instruction #11)

$30

 

 

 

 

07

Manufacturer of Firearms Other than Destructive Devices (see instruction #11)

$150

 

 

 

 

08

Importer of Firearms Other than Destructive Devices or Ammunition for Firearms Other than Destructive Devices, or

$150

Ammunition Other than Armor Piercing Ammunition (NOTE: Importer of handguns and rifles, see instruction #9)

 

 

 

 

 

09

Dealer in Destructive Devices (see instruction #10)

$3000

 

 

 

 

10

Manufacturer of Destructive Devices, Ammunition for Destructive Devices, or Armor Piercing Ammunition (see instruction #11)

$3000

 

 

 

 

11

Importer of Destructive Devices, Ammunition for Destructive Devices, or Armor Piercing Ammunition (see instruction #9)

$3000

 

 

 

 

 

 

Total Fees

$

 

 

 

 

 

 

 

 

CLEO Copy - Page 1

ATF Form 7(5310.12)/7CR(5310.16) Revised October 2020

File Specs

Fact Name Details
Application Purpose The Federal Firearms License Application is used to apply for a license to engage in specific firearms-related activities as outlined in 18 U.S.C. Chapter 44.
Types of Licenses There are multiple license types available, including Dealer in Firearms, Manufacturer of Firearms, and Collector of Curios and Relics, each with different fees and regulations.
License Fees Application fees vary by license type, ranging from $30 for a Collector of Curios and Relics to $3,000 for certain destructive devices. Payment must accompany the application.
Duration of License Licenses are valid for three years. Renewal applications must be submitted before expiration to continue operations legally.
Local Law Compliance Applicants must ensure their business activities comply with state and local laws, including zoning ordinances. This is crucial for the approval of the application.
Chief Law Enforcement Officer Notification A copy of the completed application must be sent to the Chief Law Enforcement Officer (CLEO) of the locality where the business will operate, as required by law.

Federal Firearms License Application - Usage Guidelines

Completing the Federal Firearms License Application form requires careful attention to detail. This application is a critical step for individuals or businesses seeking to engage in activities regulated by federal firearms laws. Following the steps outlined below will help ensure that the application is filled out correctly and submitted without unnecessary delays.

  1. Identify the Type of Applicant: Determine if you are applying as an Individual Owner, Partnership, Corporation, LLC, Collector, or another type. Mark the appropriate box in Part A, item #1.
  2. Provide Licensee Name: Enter the name of the Owner/Sole Proprietor, Partnership, Corporation, or LLC in Part A, item #2.
  3. Trade or Business Name: If applicable, provide any trade or business names in Part A, item #3.
  4. Employer Identification Number: If you have an EIN, enter it in Part A, item #4.
  5. Business Location: Specify the county where your business is located in Part A, item #5.
  6. Business Address: Fill out the business address in Part A, item #6. Ensure it is not a P.O. Box.
  7. Mailing Address: If different from the business address, provide your mailing address in Part A, item #7.
  8. Contact Information: Include business phone, fax number, cell phone, and email address in Part A, item #8.
  9. Describe Activities: In Part A, item #9, describe the specific activities that will require a Federal Firearms License.
  10. Select License Type: In Part A, item #10, mark the appropriate license type(s) you are applying for and submit the corresponding fees.
  11. Payment Method: Indicate your method of payment in Part A, item #11. Include necessary credit card information if applicable.
  12. Hours of Operation: Provide your hours of operation in Part A, item #12.
  13. Business Premises: Answer questions about the business premises in Part A, items #13-15, including whether the premises are owned or rented.
  14. Gun Shows and Internet Sales: Indicate your intentions regarding gun shows and internet sales in Part A, items #16 and #17.
  15. Chief Law Enforcement Officer: Enter the name and address of the Chief Law Enforcement Officer in Part A, items #18 and #19.
  16. Applicant Certification: Read and initial each certification statement in Part A, item #20.
  17. Final Certification: Sign and date the application in Part A, item #21 to certify that all information is accurate.
  18. Complete Part B: If there are responsible persons, ensure each completes a separate Part B questionnaire.
  19. Submit Required Documents: Include fingerprint cards and photographs as necessary. Ensure all items are completed accurately.
  20. Mail the Application: Send the completed application, along with all required documents and fees, to the appropriate address as specified in the instructions.

Once the application is submitted, it will undergo processing by the Bureau of Alcohol, Tobacco, Firearms and Explosives (ATF). It is important to keep a copy of the submitted application for your records. If additional information is needed, the ATF will reach out to you. Be prepared to respond promptly to any requests to avoid delays in the approval process.

Your Questions, Answered

What is the Federal Firearms License Application form used for?

The Federal Firearms License Application form is used to apply for a Federal Firearms License (FFL). This license is required for individuals or businesses that wish to engage in the manufacture, importation, or sale of firearms and ammunition. The application collects essential information about the applicant, their business activities, and compliance with federal, state, and local laws.

Who needs to fill out the application?

What information is required on the application?

The application requires various details, including the applicant's name, business name, address, contact information, and the specific activities they intend to engage in. Additionally, applicants must indicate the type of license they are applying for, such as a dealer, manufacturer, or collector. Payment information for the application fee is also necessary. Each responsible person associated with the application must complete a separate questionnaire.

How long does it take to process the application?

What happens after the application is submitted?

Common mistakes

  1. Incomplete Information: Failing to provide all required details can lead to delays or denials. Each section must be filled out accurately and completely.

  2. Incorrect License Type: Selecting the wrong type of license can cause significant issues. Ensure you understand the differences between the various license types before making your selection.

  3. Missing Payment: Not including the correct payment amount or method can halt the application process. Double-check the fees associated with your chosen license type and ensure payment is included.

  4. Failure to Notify the CLEO: Not sending a copy of the application to the Chief Law Enforcement Officer (CLEO) can lead to complications. This step is mandatory and should not be overlooked.

  5. Inaccurate Contact Information: Providing incorrect phone numbers or email addresses can prevent ATF from reaching you for follow-up questions or clarifications.

  6. Neglecting to Review State Laws: Ignoring state and local laws that may affect your business can result in legal issues. Always verify compliance with local regulations before submitting your application.

Documents used along the form

When applying for a Federal Firearms License (FFL), several additional forms and documents may be required. These documents help ensure compliance with federal regulations and facilitate the licensing process. Below is a list of common forms that may accompany the FFL application.

  • ATF Form 7/7CR Part B: This is the Responsible Person Questionnaire. Each responsible person must complete this form, providing personal details and background information.
  • FD-258 Fingerprint Card: Required for all responsible persons, this card must be filled out correctly and include clear fingerprints taken by an authorized individual.
  • Photograph: A recent 2” x 2” photo of each responsible person is necessary. This photo must be attached to the Responsible Person Questionnaire.
  • Business Plan: A detailed description of the business operations, including the types of firearms to be sold or manufactured, can be helpful in the application process.
  • Employer Identification Number (EIN): This number is required for tax purposes and must be provided in the application.
  • Local Zoning Approval: Documentation proving that the business complies with local zoning laws may be necessary, depending on the location of the business.
  • Chief Law Enforcement Officer (CLEO) Notification: A copy of the application must be sent to the local CLEO, notifying them of the intent to apply for an FFL.
  • Payment Method: Include details of the payment method for the application fee, whether by credit card, check, or money order.
  • State and Local Compliance Documentation: Any additional documents proving compliance with state and local laws may be required.
  • Supporting Documents for Business Premises: If the business premises are rented or leased, a copy of the lease agreement may be needed.

Gathering these documents in advance can streamline the application process. Ensure that each document is completed accurately to avoid delays in obtaining your Federal Firearms License.

Similar forms

The Federal Firearms License Application form shares similarities with the Business License Application, which is essential for individuals or entities looking to operate legally within a specific jurisdiction. Both documents require detailed information about the applicant, including their business structure, ownership details, and the nature of the business activities. Just as the FFL application necessitates compliance with federal regulations, a business license application often mandates adherence to local laws, ensuring that the business operates within the legal framework of its locality.

Another comparable document is the Alcohol License Application. This form is required for businesses intending to sell alcoholic beverages. Like the FFL application, it requires the applicant to disclose personal information, business addresses, and intended business activities. Both applications also involve a review process by government authorities to ensure that the applicant meets specific legal criteria before being granted a license to operate in their respective fields.

The Import/Export License Application is another document that aligns closely with the FFL application. This form is necessary for businesses involved in the international trade of goods, including firearms. Both applications require detailed information about the applicant and their business operations. They also involve a rigorous vetting process to ensure compliance with federal laws, especially regarding the legality of importing or exporting restricted items.

The State Firearms License Application is similar in that it is required for individuals or businesses wishing to engage in firearms-related activities at the state level. This document often mirrors the federal application in terms of required information, such as the applicant's identity, business address, and the specific activities they intend to pursue. Additionally, both applications necessitate background checks and compliance with state laws, ensuring that applicants are legally permitted to engage in firearms transactions.

In the realm of healthcare, the Medical Marijuana License Application shares similarities with the FFL application. Both documents require applicants to provide personal information and details about their intended business activities. Each application also undergoes scrutiny to ensure compliance with state and federal regulations, particularly concerning the legalities surrounding the sale of controlled substances, whether they be firearms or marijuana.

The Food Service License Application is another document that bears resemblance to the FFL application. This form is necessary for businesses that wish to prepare and sell food. Similar to the FFL application, it demands detailed information about the business, including ownership, location, and operational plans. Both licenses require adherence to health and safety regulations, ensuring that businesses operate within the legal standards set forth by governing bodies.

The Contractor License Application is akin to the FFL application as it is essential for individuals or companies intending to operate in the construction industry. Both applications require a comprehensive overview of the applicant's qualifications, business structure, and intended scope of work. They also involve a review process to ensure that the applicant meets the necessary legal requirements to operate in their respective fields.

The Professional License Application is similar in that it is required for individuals seeking to practice in regulated professions, such as law or medicine. Like the FFL application, this document requires personal and professional information, including educational background and work history. Both applications aim to ensure that applicants possess the necessary qualifications and comply with the legal standards set forth by their respective governing bodies.

Finally, the Nonprofit Organization Application is comparable to the FFL application in that it requires detailed information about the organization, its purpose, and its operational plans. Both documents necessitate a clear understanding of the applicant's intentions and require compliance with specific legal standards. This ensures that both for-profit and nonprofit entities operate within the confines of the law, whether they are selling firearms or providing community services.

Dos and Don'ts

When filling out the Federal Firearms License Application form, it is essential to follow specific guidelines to ensure a smooth application process. Below is a list of things to do and avoid:

  • Do type or print your application clearly to avoid misunderstandings.
  • Do provide accurate information, including your business name and address.
  • Do submit the required application fee with your application.
  • Do ensure that all responsible persons complete their questionnaires and submit them.
  • Do verify local and state laws regarding firearms before submitting your application.
  • Do send a copy of the application to the Chief Law Enforcement Officer (CLEO) in your area.
  • Don't leave any sections of the application blank; incomplete forms can lead to delays.
  • Don't use a P.O. Box as your business address; a physical address is required.
  • Don't submit cash as payment; use checks or credit/debit cards instead.
  • Don't forget to include your Employer Identification Number (EIN) if applicable.
  • Don't provide false information; doing so may result in denial of your application.
  • Don't assume that a license guarantees compliance with local laws; verify all requirements.

Misconceptions

  • Misconception 1: Anyone can apply for a Federal Firearms License (FFL).
  • This is not true. Only individuals or entities that meet specific criteria can apply. Factors such as age, criminal history, and state laws play a significant role in eligibility.

  • Misconception 2: The FFL application is a simple form that can be filled out quickly.
  • In reality, the application requires detailed information about the applicant's business, personal background, and intentions. Completing it accurately is essential to avoid delays.

  • Misconception 3: A Federal Firearms License allows you to carry firearms anywhere.
  • An FFL does not grant the right to carry firearms. It is strictly a business license that permits specific activities related to firearms, such as selling or manufacturing.

  • Misconception 4: You can sell ammunition without an FFL.
  • This is misleading. While selling ammunition alone does not require an FFL, engaging in certain business activities related to firearms does necessitate one. Always verify your local laws.

  • Misconception 5: All FFL types are the same.
  • There are various types of FFLs, each permitting different activities. For instance, a Type 03 license is for collectors and does not allow for business operations, while a Type 01 license is for dealers.

  • Misconception 6: The application fee is refundable if the license is denied.
  • This is incorrect. The application fee is non-refundable, regardless of whether the license is granted or denied.

  • Misconception 7: You can submit the application without notifying local law enforcement.
  • Applicants must notify the Chief Law Enforcement Officer (CLEO) of their intent to apply. This is a requirement and helps ensure compliance with local laws.

  • Misconception 8: Once you receive your FFL, you can operate without any further obligations.
  • Receiving an FFL does not exempt you from adhering to state and local laws. Ongoing compliance with all applicable regulations is necessary.

  • Misconception 9: The FFL application process is quick and straightforward.
  • The process can take time due to background checks and the need for thorough documentation. Patience and attention to detail are essential for a successful application.

Key takeaways

Filling out the Federal Firearms License Application form requires attention to detail. Ensure that all information is accurate and complete to avoid delays in processing.

  • Identify your business type correctly. Options include individual owner, partnership, corporation, LLC, or collector.
  • Provide a valid business address. This cannot be a P.O. Box, and it must be where your business is physically located.
  • Choose the appropriate license type. Different activities require different licenses, so select the one that fits your intended business operations.
  • Submit the application fee with your application. The fee varies depending on the type of license you are applying for, so check the latest fee schedule.